Account
Winkelmand
0
Mobile menu
Home
Onderdelen
Verzenden en bezorgen
Garantie en statiegeld
Over ons
Contact
Nederlands
Engels
Product toegevoegd aan winkelwagen
Verder winkelen
Direct naar winkelmand
Account
Winkelmand
0
Home
Onderdelen
Verzenden en bezorgen
Garantie en statiegeld
Over ons
Contact
Nederlands
Engels
© 2026 Hobo parts Brakel - Realisatie Rosegaar.nl
Remschijf
Home
/
Remsysteem
/
Remschijf
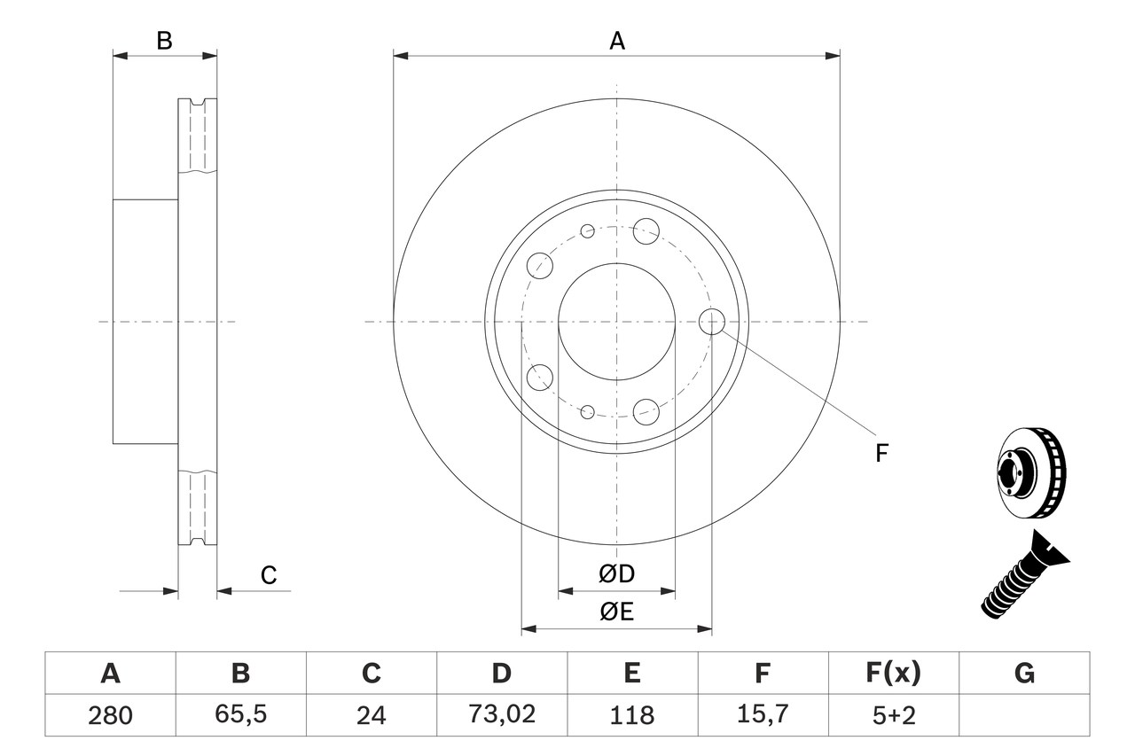
Product informatie:
Artikelnummer
0 986 479 B34
Wielsteek diameter
118mm
Buitendiameter
280mm
Geventileerde remschijf
Minimale dikte
21.9mm
Centreerdiameter
73.02mm
Oppervlakte
Gecoat
Remschijfdikte
24mm
Voldoet aan ECE norm ECE-R90
Met schroeven
Hoogte
65.5mm
5 gat(en)
Boorgatdiameter
->15.7mm
Onderdeelnummers:
1300501080
4246 L2
4246 L3
K1300501080
Fabrikant:
BOSCH
Geschikt voor: